Get Images Library Photos and Pictures. Diagram Fujitsu Ten Wiring Diagram Toyota Full Version Hd Quality Diagram Toyota Diagramsberid Carnevalecampagnolo It Diagram Wiring Diagram Toyota Innova Head Unit Full Version Hd Quality Head Unit Diagramamedia Prontoprint It Download Schema Wiring Diagram Tape Mobil Fujitsu Full Hd Breaku Kinggo Fr 3
Test hu grand new innova fujitsu ten 86140 ta060 135000 99100151 sn. Toyota land cruiser 86280 60320 gm 9227zt pioneer amplifier wiring diagram.
. Promo Tape Mobil Avanza Original Radio Tape Murah Berkualitas Shopee Indonesia Toyota Tacoma Stereo Wiring Diagram 2016 And Up Youtube Wiring Diagram Head Unit Avanza Veloz
Diagram Wiring Diagram Tape Mobil Fujitsu Full Version Hd Quality Mobil Fujitsu Msdiagramaa Soccerbook It
Diagram Wiring Diagram Tape Mobil Fujitsu Full Version Hd Quality Mobil Fujitsu Msdiagramaa Soccerbook It Toyota p7809 pioneer fh m8527zt.
. Fujitsu ten car radio stereo audio wiring diagram autoradio connector wire installation schematic schema esquema de conexiones stecker konektor connecteur cable shema car stereo harness wire speaker pinout connectors power how to install. Toyota w53811 cq ms0570lc aygo. Feb 10 2012 setelah mempelajari wiring diagram dari mobil avanzaxenia saya melihat mobil tersebut dapat dipasangkan immobilizer bikinan sendiri.
Toyota w53901 matsushita. Belajar memahami wiring audio mobil. Toyota p6502 dvz mg8077zt pioneer land cruiser.
Enter the product name or part of the product name of the manual you want to search for and click the search button. Data di atas berlaku untuk socket atau tape original dari mobil brand toyota entah itu avanzainovaagyayarisfortuner dll bahkan xenia dan terios ada yg sama utnuk yg tahun lamakalau sekrng kayak nya masih juga sih yg penting socket original nya. You can search for online manuals by the product name.
Cara nya kaya di atas. Maaf gan utk tape fujitsu ten spt pak aditya ramadan mau sy pasang di mobil kijang super caranya gmn yaminta penjelasannya terimakasih. Fujitsu ten car radio wiring diagrams.
Toyota gm 8077z pioneer land cruiser 200. Toyota 16852 17828 fujitsu ten. Fujitsu ten wiring diagram tape mobil avanza.
Cara modifikasi thermistor cooler ac mobil avanza. Adi s 220617 0044. Maaf gan utk tape fujitsu ten spt pak aditya ramadan mau sy pasang di mobil kijang super caranya gmn yaminta penjelasannya terimakasih.
Car radio wire diagram stereo wiring diagram gm radio wiring diagram. Read or download the diagram pictures diagram tape mobil for free fujitsu ten at crowdfundingdemoagriyacom.
Diagram Wiring Diagram Head Unit Innova Full Version Hd Quality Unit Innova Sio2phasediagram Splitbar It
Diagram Wiring Diagram Tape Mobil Fujitsu Full Version Hd Quality Mobil Fujitsu Msdiagramaa Soccerbook It
Brz Fujitsu Wiring Diagram Electric Fan 5 Wire Relay Wiring Diagram For Wiring Diagram Schematics
Https Forum Ih8mud Com Attachments Toyota Car Radio Stereo Audio Wiring Diagram Pdf 1604513
Diagram Wiring Diagram Toyota Innova Head Unit Full Version Hd Quality Head Unit Lehardyupdate Olth Guild Fr
Diagram Fujitsu Ten Wiring Diagram Toyota Full Version Hd Quality Diagram Toyota Diagramsberid Carnevalecampagnolo It
Fujitsu Ten Car Radio Stereo Audio Wiring Diagram Autoradio Connector Wire Installation Schematic Schema Esquema De Conexiones Stecker Konektor Connecteur Cable Shema
Https Forum Ih8mud Com Attachments Toyota Car Radio Stereo Audio Wiring Diagram Pdf 1604513
Toyota Car Radio Stereo Audio Wiring Diagram Autoradio Connector Wire Installation Schematic Schema Esquema De Conexiones Stecker Konektor Connecteur Cable Shema
Toyota Car Radio Stereo Audio Wiring Diagram Autoradio Connector Wire Installation Schematic Schema Esquema De Conexiones Stecker Konektor Connecteur Cable Shema
Diagram Wiring Diagram Tape Mobil Full Version Hd Quality Tape Mobil Pranadigital Ventoinpoppa It
Wiring Diagram Audio Avanza Car Audio Wiring Harness Stereo Wire With Radio Antenna Adapter Begeboy Wiring Diagram Source
Toyota Car Radio Stereo Audio Wiring Diagram Autoradio Connector Wire Installation Schematic Schema Esquema De Conexiones Stecker Konektor Connecteur Cable Shema
Wiring Diagram Audio Avanza Car Audio Wiring Harness Stereo Wire With Radio Antenna Adapter Begeboy Wiring Diagram Source
Diagram Buku Wiring Diagram Toyota Innova Full Version Hd Quality Toyota Innova Shwiring9 Annameacci It
Diagram Wiring Diagram Head Unit Avanza Full Version Hd Quality Unit Avanza D J Molles Schematic Grundschulelaufeld De
Toyota Fujitsu Ten 86120 Wiring Diagram Wiring Diagram Image Intended For Toyota 86120 Wiring Diagram Tulisan Proposal Dan Latar Belakang
Diagram Wiring Diagram Tape Mobil Full Version Hd Quality Tape Mobil Diagramando Mefpie Fr
Diagram Wiring Diagram Tape Mobil Full Version Hd Quality Tape Mobil Diagramando Mefpie Fr
Wiring Diagram Audio Avanza Car Audio Wiring Harness Stereo Wire With Radio Antenna Adapter Begeboy Wiring Diagram Source
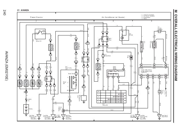
Wiring Diagram Head Unit Avanza Veloz
Toyota Fujitsu Ten 86120 Wiring Diagram Wiring Diagram Image Intended For Toyota 86120 Wiring Diagram Pioneer Car Stereo Car Stereo Sony Car Stereo
Diagram Wiring Diagram Tape Mobil Full Version Hd Quality Tape Mobil Turkishdatabase Interassos Uvsq Fr
Wire Almost Any Basic Toyota Stereo Youtube
Https Encrypted Tbn0 Gstatic Com Images Q Tbn And9gcrhtutrrzquattejqtlftvjmyog4wwweoxam1nh4ske9qxqfozr Usqp Cau
Wiring Diagram Head Unit Avanza Veloz
Toyota Car Radio Stereo Audio Wiring Diagram Autoradio Connector Wire Installation Schematic Schema Esquema De Conexiones Stecker Konektor Connecteur Cable Shema
Bagikan Berita Ini

0 Response to "[Get 26+] Fujitsu Ten Wiring Diagram Tape Mobil Avanza"
Post a Comment