94 Toyota Pickup Ignition Switch Wiring Diagram Aac Wiring Diagram For 95 S10 Pickup
50 amp camper wiring diagram. Toyota switch inertia 1994 fule reset wheel drive fuse where truck snapontech. 1993 oldsmobile cutlass supreme wiring diagram
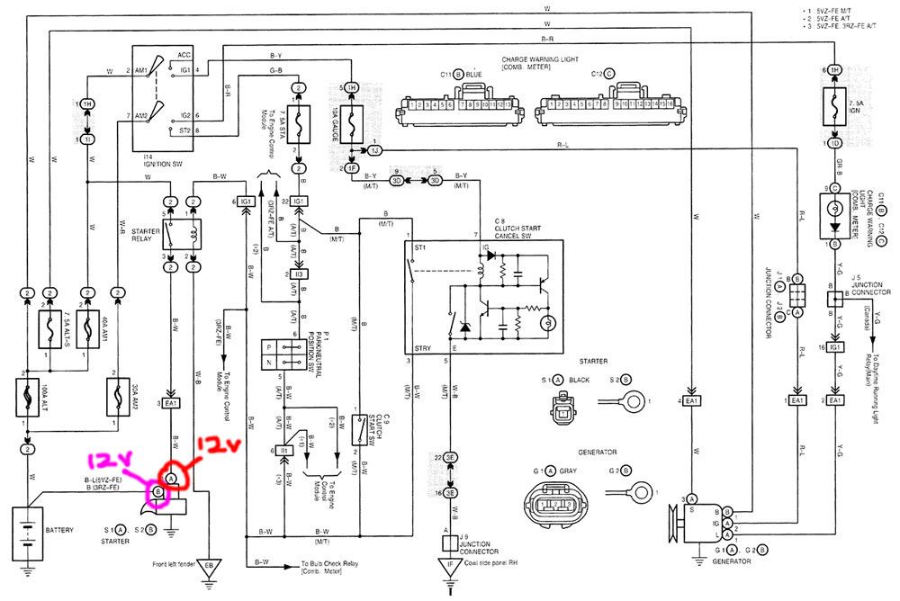
94 toyota pickup ignition switch wiring diagram
Download PDF
Ignition switch or starter issue


[diagram] fj60 toyota starter wiring diagram full version hd quality. Ignition coil wiring diagram chevy. 1993 oldsmobile cutlass supreme wiring diagram. 1990 toyota pickup ignition wiring diagram database
1986 Toyota Truck Wiring Schematic - Wiring Diagram
1993 Oldsmobile Cutlass Supreme Wiring Diagram - Wiring Diagram
94 Sportster Wiring Diagram - Wiring Diagram Networks
50 Amp Camper Wiring Diagram - Search Best 4K Wallpapers
Does someone have an ignition wiring schematic for a 1992 Toyota pickup

Bagikan Berita Ini
0 Response to "[1+] 94 Toyota Pickup Ignition Switch Wiring Diagram, 2002 Toyota Camry Ignition Wiring Diagram - Search Best 4K Wallpapers"
Post a Comment